- 额定量程:3~200kg
- 材质:铝合金
- 精度等级:C3、C4、C5
- 安全超载:150%F.S.
- 输出灵敏度:2.0±10%mV/V
- 极限超载:300%F.S.
- 零点输出:±2%F.S.
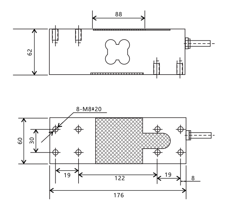
- 最大称盘尺寸:600mm x 500mm
- 非线性:0.0166%F.S.
- 电缆线尺寸:Φ5.2x1600mm
- 滞后:0.0166%F.S.
- 激励电压:5~15V
- 重复性:0.02%F.S.
- 最大激励电压:15V
- 蠕变(30分钟):0.017%F.S
- 温度补偿范围:-10~40℃
- 输入电阻:420±20Ω
- 工作温度范围:-10~50℃
- 输出电阻:350±10Ω
- 零点温度漂移:0.02%F.S./10℃
- 绝缘电阻:≥5000MQ/100VDC
- 温度灵敏度飘移:0.02%F.S./10℃





















